CAS20 SERISI SPLIT SHAFT PTO - CAS20AB

Technical Overview;  Integrated Hot Shift Functionality, 2 PTO Outputs on Side Ports, 2 Service Pump Pads, Pneumatic Operation, Split Shaft Design, Counter to Input Rotation, Standard: 1 Year + 1 Year Additional, Guaranteed for 10 Years, Built for versatility and durability, this gearbox ensures seamless operation and long-term support, tailored to meet diverse industrial requirements.

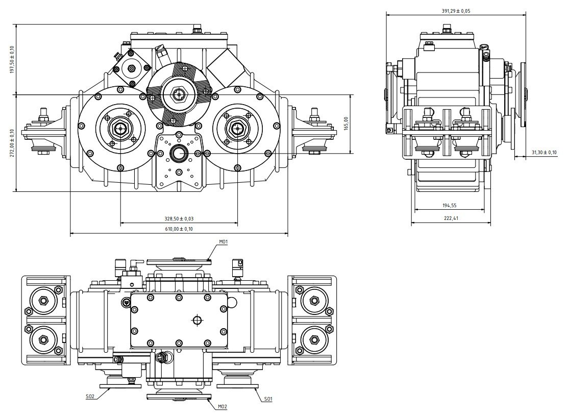
2900 KGM Horizontal Heavy-Duty Gearbox with Hot Shift Clutch Mechanism


The 2900 KGM Horizontal Heavy-Duty Gearbox is engineered with a state-of-the-art Hot Shift clutch mechanism, enabling seamless engagement and disengagement without the need for a clutch pedal. This design ensures the gearbox delivers 100% input speed, maintaining maximum operational efficiency.  

**Outputs**: Two independently controlled side outputs and two service pump outputs, adaptable to various application requirements. Configurations with a single output can also be provided.  

**PTO Flexibility**: The PTO (Power Take-Off) output can be configured on either the differential side or cabin side. PTO outputs are available with ISO standard flanges or customized housings compatible with a wide range of hydraulic pumps.  

**Cooling Integration**: An optional cooling system can be mounted on the gearbox for thermal management during demanding operations. 

**Monitoring and Control**: Optional sensors can be integrated to detect PTO engagement status and measure RPM, offering precise operational feedback.  


This gearbox is designed to excel in applications requiring Hot Shift functionality, such as Sewer Cleaning Trucks, while also being adaptable for other industrial uses where similar performance features are required. Its modular design ensures high reliability, durability, and compatibility with diverse system requirements.

Catalog Name Catalog
Basic Diamensions Görüntüle
Datasheet - EN Görüntüle
CASE INDUSTRY GROUP
All Products